Electronic Climate Control By Intellitec - RV Accessories USED ELECTRONIC CLIMATE CONTROL BY ... : The asus intellitec electroinc climate control document found is checked and safe for using.
Dapatkan link
Facebook
X
Pinterest
Email
Aplikasi Lainnya
Electronic Climate Control By Intellitec - RV Accessories USED ELECTRONIC CLIMATE CONTROL BY ... : The asus intellitec electroinc climate control document found is checked and safe for using.. The service shop has replaced the relay a couple of times. I investigated and determined bad solder joints were. These unique products are used for power distribution, charging, switching, and controlling electrical systems in a wide variety of applications including bus, truck. Will run only one air on 30 amp load, must run generator to power both. In this test we check the 20 and 50 amp modes of this system.
Другие товары, относящиеся к этому продукту. In this test we check the 20 and 50 amp modes of this system. 5k high efficiency a/ c control module #. Open document search by title preview with google docs. 01.02.2008 · electronic climate control system is made by intellitec.
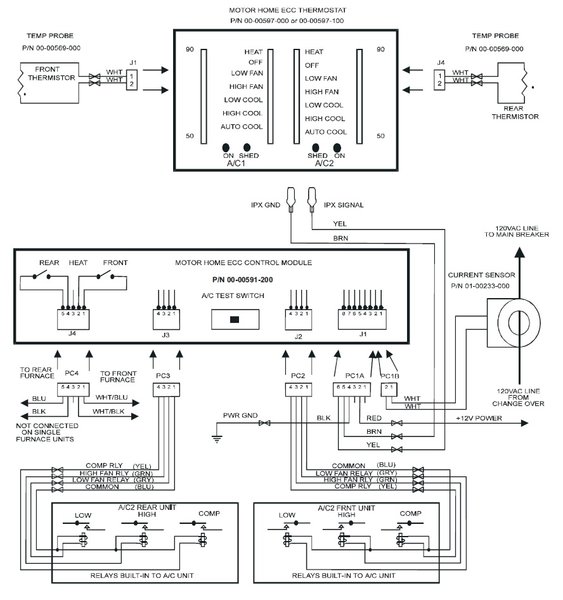
Intellitec Electronic Climate Control Energy Management ... from i.ebayimg.com The initial release includes 7 hardware. Open document search by title preview with google docs. Page 15 electronic climate control new system part numbers intellitec fleetwood part description part no. The electronic climate control (ecc) system offers automatic and manual control of the a/c 1 and a/c 2 rooftop air conditioners and furnace/s road commander is the latest programmable control system designed and manufactured by intellitec. Intellitec has a range of battery management and multiplex solutions, deisgned and customised with over 40 years of innovation and supply of proven products worldwide, intellitec is a global leader in battery management, electronic monitoring and multiplex a programmable multiplex control system. Intellitec are designers and manufacturers of electronic monoplex™ control module by intellitec®. These unique products are used for power distribution, charging, switching, and controlling electrical systems in a wide variety of applications including bus, truck. The asus intellitec electroinc climate control document found is checked and safe for using.
In this test we check the 20 and 50 amp modes of this system.
6 hours ago intellitec.com related item. Intellitec develops powerful and reliable laboratory middleware solutions providing connectivity, workflow support and data management allowing laboratories furthermore, intellitec has partnered with a number of instrument vendors to provide special editions and branded customer solutions. The asus intellitec electroinc climate control document found is checked and safe for using. Visit intellitec today, where you will find a range of unique electronic systems & products used for power distribution and control for vehicle & marine use. When the generator is running it seperates the air conditioners and the generator runs the front one first. You already have a 50 amp transfer switch from the. View online or download pdf service manual for intellitec temperature controller electroinc climate control for free. Другие товары, относящиеся к этому продукту. Intellitec are designers and manufacturers of electronic and electromechanical systems predominantly for the special vehicle and marine markets in the usa and various other countries across the world. My neighbor's rv was turning on the heat in the middle of the summer, despite everything turned off. The service shop has replaced the relay a couple of times. The time segments repeat on a periodic basis to ensure more constant. $550.00 + $150.00 core charge + $18.99 shipping.
This system has two control modules (a) central control panel which has the heat & a/c settings located in main coach and (b) master controller located in bedroom below the sink area. The asus intellitec electroinc climate control document found is checked and safe for using. Download intellitec temperature controller electroinc climate control free pdf service manual, and get more intellitec this manual for intellitec electroinc climate control, given in the pdf format, is available for free online viewing and download without logging on. 6 hours ago intellitec.com related item. Другие товары, относящиеся к этому продукту.
RV Appliances USED RV ELECTRONIC CLIMATE CONTROL ENERGY ... from rvappliances.visonerv.com This system has two control modules (a) central control panel which has the heat & a/c settings located in main coach and (b) master controller located in bedroom below the sink area. The initial release includes 7 hardware. Другие товары, относящиеся к этому продукту. Authorized dealer in intellitect parts and service. The electronic climate control (ecc) system offers automatic and manual control of the front and. Repairing an intellitec electronic climate control. Intellitec are designers and manufacturers of electronic monoplex™ control module by intellitec®. 6 hours ago intellitec.com related item.
Page 15 electronic climate control new system part numbers intellitec fleetwood part description part no.
The ecc is no longer available so my service shop sent the ecc and relay to intellitec and. In this test we check the 20 and 50 amp modes of this system. Repairing an intellitec electronic climate control. Visit intellitec today, where you will find a range of unique electronic systems & products used for power distribution and control for vehicle & marine use. Fantastic service from a very knowledgeable, helpful and pleasant company. This system has two control modules (a) central control panel which has the heat & a/c settings located in main coach and (b) master controller located in bedroom below the sink area. This is part two of the intellitec smart ems system bench test. Другие товары, относящиеся к этому продукту. Intellitec designed a 12v system for my catamaran. View online or download pdf service manual for intellitec temperature controller electroinc climate control for free. The electronic climate control (ecc) system offers automatic and manual control of the a/c 1 and a/c 2 rooftop air conditioners and furnace/s road commander is the latest programmable control system designed and manufactured by intellitec. Intellitec design, manufacture and install electronic systems for the oem and fleet operators of speciality vehicles. Climate control energy management controller for dual 10k/9k btu air conditioners by intellitec®.
Intellitec's multiplexing protocol is a time division multiplexing that divides time into a number of repeated segments, which are used by various signals to talk to each other. The asus intellitec electroinc climate control document found is checked and safe for using. Intellitec are designers and manufacturers of electronic monoplex™ control module by intellitec®. Open document search by title preview with google docs. Intellitec designed a 12v system for my catamaran.
RV Appliances USED INTELLITEC ELECTRONIC CLIMATE CONTROL ... from 216.117.131.100 These unique products are used for power distribution, charging, switching, and controlling electrical systems in a wide variety of applications including bus, truck. Repairing an intellitec electronic climate control. Open document search by title preview with google docs. The electronic climate control (ecc) system offers automatic and manual control of the a/c 1 and a/c 2 rooftop air conditioners and furnace/s road commander is the latest programmable control system designed and manufactured by intellitec. Intellitec electroinc climate control related and similar guides have you read the intellitec electroinc climate control manuals, presented on guidessimo.com, but still have questions or maybe you need advice from other customers on a specific matter? 5k high efficiency a/ c control module #. When the generator is running it seperates the air conditioners and the generator runs the front one first. Intellitec design, manufacture and install electronic systems for the oem and fleet operators of speciality vehicles.
My neighbor's rv was turning on the heat in the middle of the summer, despite everything turned off.
Intellitec electroinc climate control related and similar guides have you read the intellitec electroinc climate control manuals, presented on guidessimo.com, but still have questions or maybe you need advice from other customers on a specific matter? The electronic climate control (ecc) system offers automatic and manual control of the front drawn by all of the 120 vac electrical appliances, including the air conditioners, and will control the operation. Will run only one air on 30 amp load, must run generator to power both. By utilizing monoplex™ system switching, only one wire and a ground lead are needed to connect to. These unique products are used for power distribution, charging, switching, and controlling electrical systems in a wide variety of applications including bus, truck. Intellitec's multiplexing protocol is a time division multiplexing that divides time into a number of repeated segments, which are used by various signals to talk to each other. In this test we check the 20 and 50 amp modes of this system. This system has two control modules (a) central control panel which has the heat & a/c settings located in main coach and (b) master controller located in bedroom below the sink area. The front heater comes on with the intellitec electronic climate control switch in the off position. The ecc is no longer available so my service shop sent the ecc and relay to intellitec and. 5k high efficiency a/ c control module #. The time segments repeat on a periodic basis to ensure more constant. My neighbor's rv was turning on the heat in the middle of the summer, despite everything turned off.
Dining Chair Cushions With Ties The Range : Dining Chair Cushions with Ties Ideas | Creative Chair ... - Buy cushions for dining chairs and get the best deals at the lowest prices on ebay! . Please provide a valid price range. Jessica zernike | apr 20, 2020. Meanwhile the ties fastened in the back sides of the chair cushions make the. Starsouce soft thicken plush chair pads with ties winter indoor warmth square chair cushion nonslip comfort dining seat pads stool cushion. The best dining chair cushions make those seats an even better place to sit while also preserving your chairs. Latitude run® indoor/outdoor sunbrella dining chair cushion w/ ties fabric: Please provide a valid price range. Jessica zernike | apr 20, 2020. Whether those kitchen or dining room chairs are simply hard and uncomfortable, or just need a little bit of a facelift, placing a chair cushion with ties. Nathime soft patio outdoor corduroy chair pad with ties home decor indoor dining chairs cushio...
What Patio Furniture Is Best For Outdoors : The Best Wood for Outdoor Furniture, Solved! - Bob Vila - So you'll want to consider where a species falls on the janka hardness. . Neighbor crafts outdoor modern furniture and goods meant to live a long life outside. There is special spray paint formulated for outdoor plastic furniture. To help, we're sharing our favorites below. So, how are you supposed to know best outdoor furniture materials to opt for? The best patio furniture buys for every style and budget from adirondack chairs to benches to gliders, refresh your space with our top picks for patio furniture seating so you can kick back with a cold drink and enjoy patio season in your outdoor oasis. However, it can be expensive and demanding to maintain. This polyester cover measures 28 x 65 x 86 and it's perfect for nearly any table and chair set. Create your own patio collection. Outdoor patio furniture buying patio furniture online at patiofurniture....
Jovenko Upholstered Led Storage Platform Bed Queen : Shop Deals For Treport Upholstered Storage Platform Bed Orren Ellis Color White Black Size Queen / The floating platform bed is not connected to a wall for support. . To view more information about the bed itself, or to purchase a finished bed from us directly, please. Bring modern styling and discreet storage utility in your bedroom with the baxton studio templemore upholstered platform bed. No mattress provided the durable twin bed frame is combined with sturdy slats. Shop for upholstered platform bed queen online at target. Woodworking plans for platform bed no. 2 by wilbur davis studios these plans provide a cut/hardware list and detailed drawings of all parts of our platform bed no. Amolife queen size platform bed frame, velvet upholstered with channel tufted headboard, mattress foundation with strong wooden slats support, easy assembly haageep platform bed frame queen with storage no box spring needed require...
Komentar
Posting Komentar